解决方案
SOIUTION推荐产品
RECOMMOND联系我们
Contact联系人:张经理
手 机:18600516852
电 话:400 0000 439
地 址:北京市昌平区沙河镇昌平路97号7幢605室


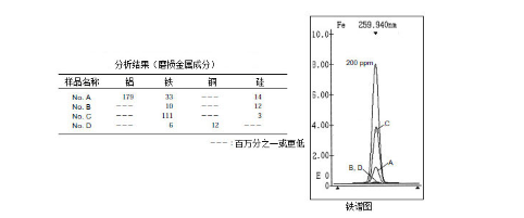
润滑油中磨损金属含量的分析用于确定发动机和其他使用润滑油的设备的状况。磨损金属含量分析可以采用旋转电极发射光谱法、原子吸收光谱法或电感耦合等离子体法。其中电感耦合等离子体法可以通过简单的稀释即实现对多种元素进行快速准确地分析。
在该实例中,电感耦合等离子体法用于分析润滑油。由于润滑油的粘度高,因此,应先稀释,再对其进行分析。先使用煤油稀释20倍,再对其进行测量。

我们的 GC 解决方案包括使您能够成功进行气相色谱分析的气相色谱分析仪、进样器、检测器,色谱柱、自动进样器以及软件。
Copyright © 北京京科瑞达科技有限公司 版权所有 工信部ICP备案号:京ICP备09012202号-5